カタログショップ 表面処理等の選択
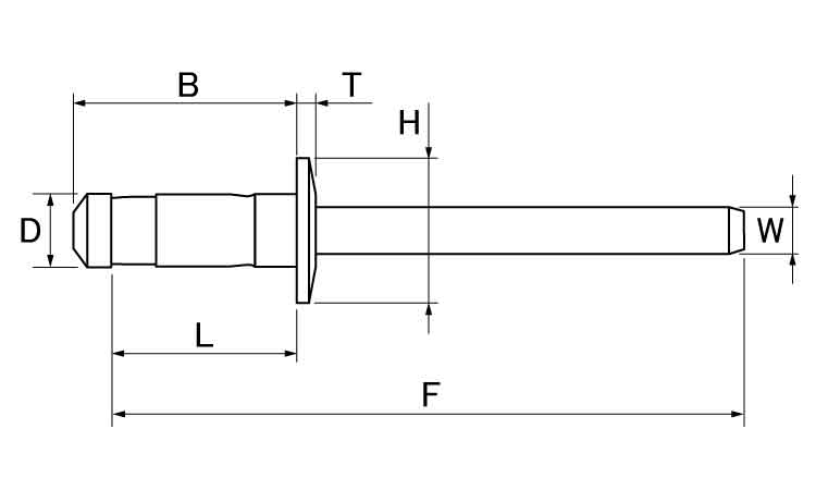
商品名:標準 ブラインドリベットNST(EXタイプ)




下記の中から表面処理を選択してください。
画像と実際の商品の色とは違う場合があります。
下記表面処理工程は一例ですので、商品によっては工程等が異なる場合があります。
表面処理:生地
表面処理を施していない、素材そのままの状態です。鉄の場合は生地の状態では錆が発生するため、通常は防錆油を塗布しています。また、ねじ業界では材質が鉄で熱処理をして黒色酸化皮膜を形成したものを「生地」という場合があります。また熱処理後に黒色酸化皮膜を除去したあとに、表面処理の黒染めを行う場合があり、黒色酸化皮膜+防錆油塗布のものも「生地」と呼ぶ場合があります。
---------------
☆ねじに使用される表面処理については下記ページにも掲載しています。ご参照ください。
〇表面処理
新しいウィンドウで画像を見る