カタログショップ 表面処理等の選択
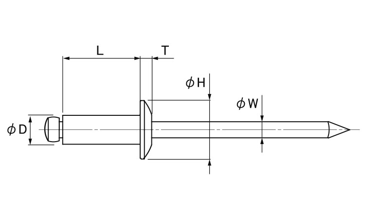
商品名:標準 B.R.丸頭NSAアルミ-鉄




下記の中から表面処理を選択してください。
画像と実際の商品の色とは違う場合があります。
下記表面処理工程は一例ですので、商品によっては工程等が異なる場合があります。
表面処理:三価ホワイト
六価クロムフリーでユニクロメッキの代替品として開発された環境対応表面処理の防錆皮膜。塩水噴霧試験でユニクロよりも耐食性に優れている。ユニクロメッキから置き換えられつつあります。正式には「三価クロム化成処理」といいます。市場では「三価クロメート」「三価ユニクロ」「三価ホワイト」等の呼び方があり、いずれも三価クロム化成処理のことです。従来の「ユニクロ」からの置き換えですが、厳密に言うと耐食性が異なる場合がありますので、耐食性が必要な場面に使用する場合には、十分な検討が必要です。
---------------
☆ねじに使用される表面処理については下記ページにも掲載しています。ご参照ください。
〇表面処理
新しいウィンドウで画像を見る