ネジと金属加工の請負企業。小ロットから見積、受注いたします。
株式会社山崎
MENU

カタログショップ 材質の選択

商品名:フラッシュポイント 中間折板ビス

フラッシュポイント 中間折板ビス画像
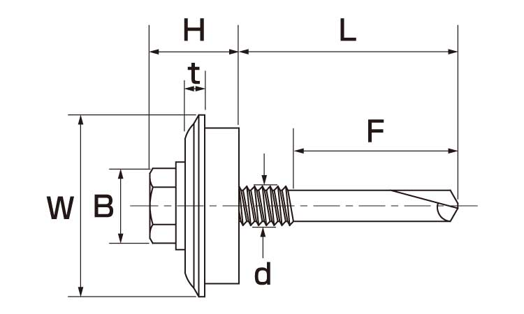
フラッシュポイント 中間折板ビス図面
フラッシュポイント 中間折板ビス規格
フラッシュポイント 中間折板ビス

材質を選択してください。

画像と実際の商品の色とは違う場合があります。

材質について

下記説明は一般的な内容ですので、個々の商品に使用する材質の詳細については別途お問合せください。

材質:SUS410

 マルテンサイト系ステンレスで炭素(C)含有量が多いので熱処理により硬度を上げることができます。クロム(Cr)が11.50~13.50%含まれていますが、オーステナイト系ステンレスのSUS304(Cr:18.00~20.00%)等に比べて少ないため耐食性は劣ります。 セルフドリリングスクリューやタッピンネジに使用されます。

---------------

☆ねじに使用される材料については下記ページにも掲載しています。ご参照ください。

鉄鋼材料

ステンレス材料

Copyright(C) 株式会社 山 崎 All rights reserved.