back to ねじ商品情報
座金付U-NUT
特長
施工時の作業が容易。部品点数の削減。被締結物の表面処理の保護。ルーズ穴やバカ穴にも対応。NAS3350振動試験適合品
使用用途
アンカーの緩み止め対策。各種ケーブルの支持金具固定、トンネル照明の取付け工事、配管金具の取付工事。
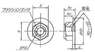
座金付U-NUT寸法表(SS400,溶融亜鉛メッキ)

| 呼び径(d) | ピッチ(p) | 二面幅(s) | 座面径(Φdc) | 全高(h1) | U-NUT高さ(h2)約 | 対角(e)約 | ツバ厚(c)約 | 単重(g)約 | 参考締付トルク(Nm)ボルトの強度区分4.8 | |||
|---|---|---|---|---|---|---|---|---|---|---|---|---|
| 基準寸法 | 許容差 | 基準寸法 | 許容差 | 基準寸法 | 許容差 | |||||||
| M8 | 1.25 | 13 | 0 -0.25 |
22 | 0 -0.52 |
9.3 | 0.5 -0.5 |
7.3 | 15.0 | 2 | 9.2 | 23 |
| M10 | 1.5 | 17 | 26 | 10.8 | 8.3 | 19.6 | 2.5 | 17.6 | 45 | |||
| M12 | 1.75 | 19 | 0 -0.35 |
32 | 0 -0.62 |
13.5 | 10.5 | 21.9 | 3 | 29.3 | 79 | |
| M16 | 2 | 24 | 38 | 17.5 | 0.6 -0.6 |
14.5 | 27.7 | 3 | 50.6 | 125 | ||
ナット本体材質:SS400、フリクションリング材質:SUS301、座金材質:SS400、受注生産品です。
座金付U-NUT寸法表(SUS304,FUNコート)

| 呼び径(d) | ピッチ(p) | 二面幅(s) | 座面径(Φdc) | 全高(h1) | U-NUT高さ(h2)約 | 対角(e)約 | ツバ厚(c)約 | 単重(g)約 | 参考締付トルク(Nm) | |||||
|---|---|---|---|---|---|---|---|---|---|---|---|---|---|---|
| 基準寸法 | 許容差 | 基準寸法 | 許容差 | 基準寸法 | 許容差 | ボルト強度区分 | ||||||||
| 300N/mm^2 | 強度区分50 210N/mm^2 |
強度区分70 450N/mm^2 |
||||||||||||
| M6 | 開発中 | |||||||||||||
| M8 | 1.25 | 13 | 0 -0.25 |
20 | 0 -0.4 |
9.2 | 0.5 -0.5 |
7.3 | 15.0 | 1.4 | 7.9 | 16 | 11 | 24 |
| M10 | 1.5 | 17 | 24 | 10.6 | 8.3 | 19.6 | 1.8 | 14.6 | 31 | 22 | 47 | |||
| M12 | 1.75 | 19 | 0 -0.35 |
28 | 13.2 | 10.5 | 21.9 | 2.2 | 21.5 | 55 | 38 | 82 | ||
| M16 | 開発中 | |||||||||||||
ナット本体材質:SUS304、フリクションリング材質:SUS301、座金材質:SUS304、受注生産品です。
●お問い合わせ先
お問い合わせは、下記にご連絡いただくか、お問い合わせフォームからお願いいたします。
住所: 525-0054 滋賀県草津市東矢倉1丁目1-17
株式会社 山 崎
TEL: 077-563-3388
FAX: 077-564-1577
EMAIL: info@ymzcorp.co.jp


トップページ
ショップメニュー









Uナットは、ナット本体に組み込まれたフリクションリングがボルトを締めつけることで、摩擦による緩み止め効果を発揮するプリベリング形ナットです。この緩み止め機構により、万一ナットが緩んだときにも、ボルトからナットが早期に脱落することを防止します。 今回、新しく座金組込みタイプが登場しました。座金が組み込まれていることにより作業効率アップ、取付忘れ、脱落の防止、別々に在庫管理する手間も軽減されます。現在はドブメッキ(溶融亜鉛)とSUS304の2種類になります。U-NUTは富士精密の登録商標です。