back to ねじ商品情報
アルミ製 スリムヘッドスクリュー
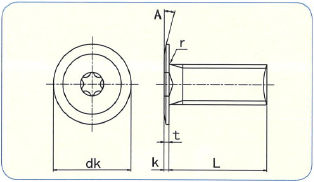
スリムヘッドスクリュー
締め付け後、頭部の出っ張りがほとんどありません。薄板締結で皿ネジの使用できない箇所に最適です。

スリムヘッドスクリュー彩
アルミ製スリムヘッドスクリューにアルマイト処理を施したものです。

製品仕様

| M3 | M4 | M5 | M6 | |
|---|---|---|---|---|
| dk | 7 | 8 | 9 | 12 |
| k | 0.8 | 0.9 | 1.0 | 1.2 |
| t(min) | 0.75 | 0.9 | 1.0 | 1.2 |
| ドライブサイズ | T6 | T8 | T10 | T20 |
| A | 約30度 | 約30度 | 約30度 | 約30度 |
| 最小破壊トルク | 0.45Nm | 1.0Nm | 1.7Nm | 3.3Nm |
スリムヘッドスクリュー サイズ表
| L | M3 | M4 | M5 | M6 |
|---|---|---|---|---|
| 6 | ○ | ー | ー | ー |
| 8 | ○ | ○ | ー | ー |
| 10 | ○ | ○ | ○ | ○ |
| 12 | ー | ○ | ○ | ○ |
| 16 | ー | ○ | ○ | ○ |
| 20 | ー | ー | ○ | ○ |
●お問い合わせ先
お問い合わせは、下記にご連絡いただくか、お問い合わせフォームからお願いいたします。
住所: 525-0054 滋賀県草津市東矢倉1丁目1-17
株式会社 山 崎
TEL: 077-563-3388
FAX: 077-564-1577
EMAIL: info@ymzcorp.co.jp


トップページ
ショップメニュー









スリムヘッドスクリューはねじ頭部の出っ張りを極力少なくしたい箇所に適した商品です。 従来はステンレス製と鉄製のみの販売でしたが、今回アルミ製が登場しました。鉄やステンレスに比べて約1/3の軽さで、シックスロブなので締付時に工具とリセスとの接触面が多くなりカムアウト(工具が浮き上がって滑ってしまう現象)も軽減されます。 頭部スッキリ・軽量・防錆・いたずら防止に、スリムヘッドスクリューシックスロブをぜひお試しください。 また、カラーアルマイト処理された『彩-さい-』というシリーズもございます。詳細につきましては下記までお気軽にお問い合わせください。