ネジと金属加工の請負企業。小ロットから見積、受注いたします。
株式会社山崎
MENU

カタログショップ 材質の選択

商品名:BUMAX8.8 フランジナット

BUMAX8.8 フランジナット画像
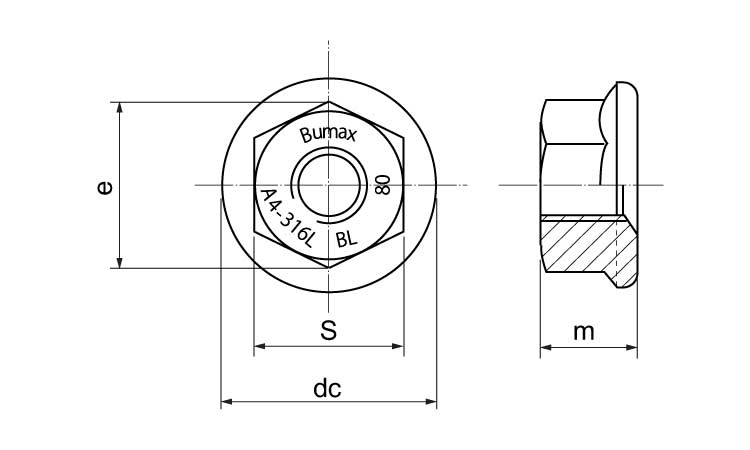
BUMAX8.8 フランジナット図面
BUMAX8.8 フランジナット規格
BUMAX8.8 フランジナット

材質を選択してください。

画像と実際の商品の色とは違う場合があります。

材質について

下記説明は一般的な内容ですので、個々の商品に使用する材質の詳細については別途お問合せください。

材質:SUS316Lステンレス

 SUS316LはSUS304と同じオーステナイト系ステンレスです。SUS304にモリブデンを添加し耐食性、耐孔食性を向上させています。SUS316LはSUS316よりも低炭素化して、耐粒界腐食性を向上し、溶接による影響を減らすことができます。

---------------

☆ねじに使用される材料については下記ページにも掲載しています。ご参照ください。

鉄鋼材料

ステンレス材料

Copyright(C) 株式会社 山 崎 All rights reserved.