カタログショップ 材質の選択
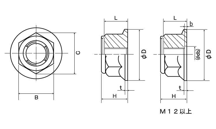
商品名:E-LOCKナット(細目フランジ)




材質を選択してください。
画像と実際の商品の色とは違う場合があります。
下記説明は一般的な内容ですので、商品に使用する材質の詳細については別途お問合せください。
材質:鉄
機械部品等に使用される鉄は純粋な鉄ではなく、炭素・ケイ素・マンガン・リン・硫黄等の元素が含まれた普通鋼や普通鋼に特殊な元素が加えられた特殊鋼が使用されます。ボルト、小ねじ、タッピンねじ、ナット、リベット等では冷間圧造用炭素鋼線(SWCH)がよく使用されます。平座金等は冷間圧延鋼板(SPCC)等、ばね座金等は硬鋼線(SWRH)等、スプリングピンや歯付き座金等はみがき特殊帯鋼(S60CM~S70CM)等でメーカーや製品毎で様々な材質が使用されています。当サイトでは特定の材質表記がない場合は、これらの鉄鋼材料を一般名称の「鉄」と表記しています。
---------------
☆ねじに使用される材料については下記ページにも掲載しています。ご参照ください。
〇鉄鋼材料
新しいウィンドウで画像を見る