カタログショップ 材質の選択
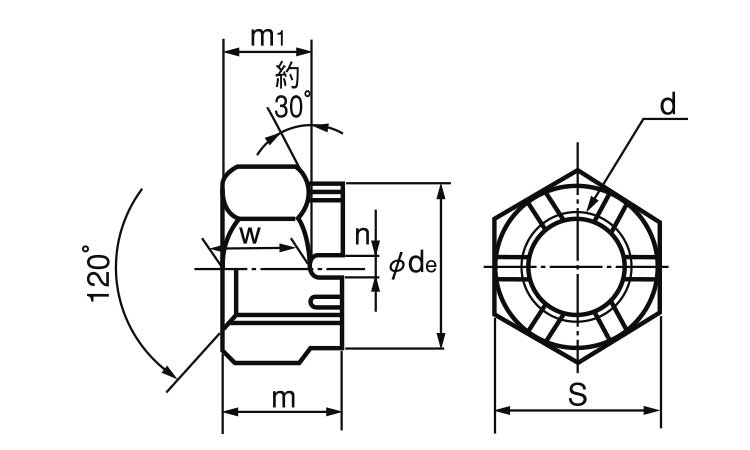
商品名:溝付ナット(高形・2種)




材質を選択してください。
画像と実際の商品の色とは違う場合があります。
下記説明は一般的な内容ですので、商品に使用する材質の詳細については別途お問合せください。
材質:鉄
機械部品等に使用される鉄は純粋な鉄ではなく、炭素・ケイ素・マンガン・リン・硫黄等の元素が含まれた普通鋼や普通鋼に特殊な元素が加えられた特殊鋼が使用されます。ボルト、小ねじ、タッピンねじ、ナット、リベット等では冷間圧造用炭素鋼線(SWCH)がよく使用されます。平座金等は冷間圧延鋼板(SPCC)等、ばね座金等は硬鋼線(SWRH)等、スプリングピンや歯付き座金等はみがき特殊帯鋼(S60CM~S70CM)等でメーカーや製品毎で様々な材質が使用されています。当サイトでは特定の材質表記がない場合は、これらの鉄鋼材料を一般名称の「鉄」と表記しています。
材質:ステンレス(SUS303、SUS304、XM7等)
オーステナイト系ステンレスは粘りが強く加工硬化が起きやすいので加工しづらい鋼種ですが、耐食性がありよく使われます。代表的な鋼種にSUS304があり、ねじに多く使われているのは、SUS304に銅を添加して冷間加工性を向上したSUSXM7という材質がよく使われます。またピン類等には切削加工性を向上したSUS303が使用されます。
マルテンサイト系ステンレスは、スプリングピン(ロールピン)にSUS420J2が使用されています。焼入れ・焼き戻しして硬化できるが、錆びが発生しやすいデメリットがあります。当サイトでは特定の材質表記がない場合は、これらのステンレス材料を一般名称の「ステンレス」と表記しています。
材質:鉄(S45C)
機械部品等に使用される鉄は純粋な鉄ではなく、炭素・ケイ素・マンガン・リン・硫黄等の元素が含まれた普通鋼や普通鋼に特殊な元素が加えられた特殊鋼が使用されます。S45Cは普通鋼よりも不純物や炭素の量を調整された機械構造用炭素鋼とよばれるものです。炭素量は0.45%(C:0.42~0.48%)含有しています。機械部品に多く使われていて、熱処理をして硬度を上げて使用することもあります。S45Cを熱処理して硬度を調整したものはS45C-HとかS45C-Q等の表示がされている場合があります。
材質:鉄(主にSCM435)
普通炭素鋼の中に特殊元素(クロム、モリブデン等)を微量に添加して焼入れ性を向上させた機械構造用合金鋼です。国内で普及している六角穴付きボルト、10.9強力六角ボルト、六角穴付き止ねじ等はSCM435が使用されています。焼入れ性がよいため、焼入れ・焼き戻しをして強度をあげて使用することが多いです。
材質:SUS316Lステンレス
SUS316LはSUS304と同じオーステナイト系ステンレスです。SUS304にモリブデンを添加し耐食性、耐孔食性を向上させています。SUS316LはSUS316よりも低炭素化して、耐粒界腐食性を向上し、溶接による影響を減らすことができます。
---------------
☆ねじに使用される材料については下記ページにも掲載しています。ご参照ください。
〇鉄鋼材料
新しいウィンドウで画像を見る