カタログショップ 材質の選択
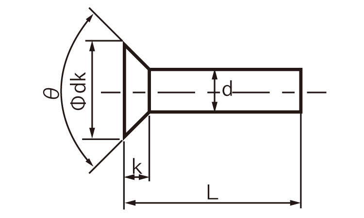
商品名:皿リベット




材質を選択してください。
画像と実際の商品の色とは違う場合があります。
下記説明は一般的な内容ですので、商品に使用する材質の詳細については別途お問合せください。
材質:鉄
機械部品等に使用される鉄は純粋な鉄ではなく、炭素・ケイ素・マンガン・リン・硫黄等の元素が含まれた普通鋼や普通鋼に特殊な元素が加えられた特殊鋼が使用されます。ボルト、小ねじ、タッピンねじ、ナット、リベット等では冷間圧造用炭素鋼線(SWCH)がよく使用されます。平座金等は冷間圧延鋼板(SPCC)等、ばね座金等は硬鋼線(SWRH)等、スプリングピンや歯付き座金等はみがき特殊帯鋼(S60CM~S70CM)等でメーカーや製品毎で様々な材質が使用されています。当サイトでは特定の材質表記がない場合は、これらの鉄鋼材料を一般名称の「鉄」と表記しています。
材質:黄銅
銅と亜鉛を主成分とする合金です。真鍮(しんちゅう)とも呼ばれます。展延性・めっき性がよく、加工しやすい材料で機械部品にもよく使われます。表面処理をしていないもの(生地)は最初は金色のきれいな表面ですが、次第に空気中で表面が酸化し、黒っぽくくすんできます。しかしながら、錆びの進行がないので耐食性がよい材料です。近年、ECO-BSというカドミレス黄銅または低カドミウム黄銅を使用したRoHS指令に対応したねじ類が市販されています。
材質:ステンレス(SUS303、SUS304、XM7等)
オーステナイト系ステンレスは粘りが強く加工硬化が起きやすいので加工しづらい鋼種ですが、耐食性がありよく使われます。代表的な鋼種にSUS304があり、ねじに多く使われているのは、SUS304に銅を添加して冷間加工性を向上したSUSXM7という材質がよく使われます。またピン類等には切削加工性を向上したSUS303が使用されます。
マルテンサイト系ステンレスは、スプリングピン(ロールピン)にSUS420J2が使用されています。焼入れ・焼き戻しして硬化できるが、錆びが発生しやすいデメリットがあります。当サイトでは特定の材質表記がない場合は、これらのステンレス材料を一般名称の「ステンレス」と表記しています。
材質:アルミニウム
比重が鉄や銅に比べて約1/3程度と軽く、耐食性がよく、熱伝導率が高い。融点が低いのでリサイクルしやすい・加工しやすい等の特徴があります。これらの理由により構造物・車輌・産業機器等に幅広く利用されています。このような用途で使用する場合には、純粋なアルミニウムは強度が低いので、マグネシウム・マンガン・亜鉛・銅・ケイ素等を加えて強度・耐食性等の特徴を持たせたアルミニウム合金が使用されています。
材質:銅
導電性が高いため、プリント基板の銅箔や電線に使用されています。リベットや平座金に使用されることもありますが、機械部品では銅単体ではあまり使われず、銅と亜鉛の合金である真鍮(黄銅)が加工性、メッキ性がよいためよく使用されます。また、ばね性がよい銅、スズ、リンの合金であるリン青銅が使用されています。
材質:SUS316Lステンレス
SUS316LはSUS304と同じオーステナイト系ステンレスです。SUS304にモリブデンを添加し耐食性、耐孔食性を向上させています。SUS316LはSUS316よりも低炭素化して、耐粒界腐食性を向上し、溶接による影響を減らすことができます。
---------------
☆ねじに使用される材料については下記ページにも掲載しています。ご参照ください。
〇鉄鋼材料
新しいウィンドウで画像を見る