カタログショップ 材質の選択
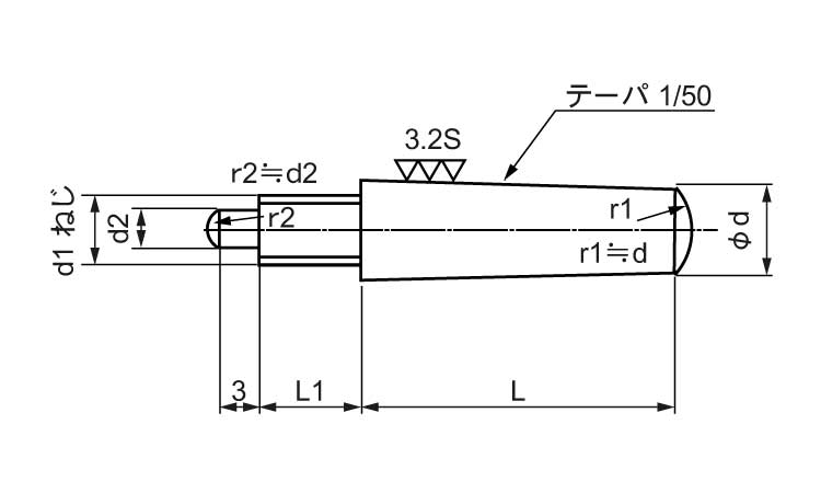
商品名:S45CQ外ねじテーパーP(姫野




材質を選択してください。
画像と実際の商品の色とは違う場合があります。
下記説明は一般的な内容ですので、商品に使用する材質の詳細については別途お問合せください。
材質:鉄(S45C)
機械部品等に使用される鉄は純粋な鉄ではなく、炭素・ケイ素・マンガン・リン・硫黄等の元素が含まれた普通鋼や普通鋼に特殊な元素が加えられた特殊鋼が使用されます。S45Cは普通鋼よりも不純物や炭素の量を調整された機械構造用炭素鋼とよばれるものです。炭素量は0.45%(C:0.42~0.48%)含有しています。機械部品に多く使われていて、熱処理をして硬度を上げて使用することもあります。S45Cを熱処理して硬度を調整したものはS45C-HとかS45C-Q等の表示がされている場合があります。
---------------
☆ねじに使用される材料については下記ページにも掲載しています。ご参照ください。
〇鉄鋼材料
新しいウィンドウで画像を見る