ネジと金属加工の請負企業。小ロットから見積、受注いたします。
株式会社山崎
MENU

カタログショップ 材質の選択

商品名:ダウエルピン(SUS440C)

ダウエルピン(SUS440C)画像
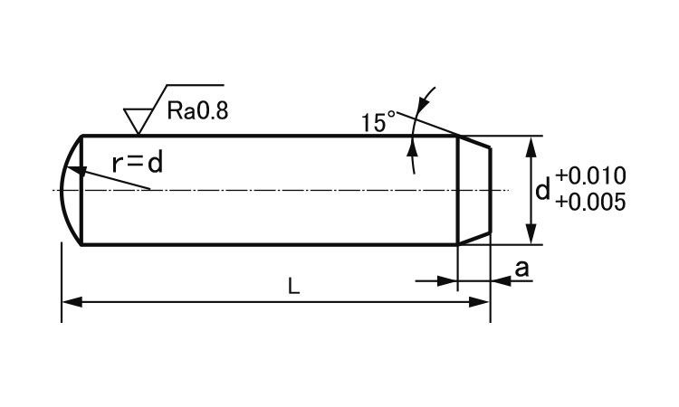
ダウエルピン(SUS440C)図面
ダウエルピン(SUS440C)規格
ダウエルピン(SUS440C)

材質を選択してください。

画像と実際の商品の色とは違う場合があります。

材質について

下記説明は一般的な内容ですので、個々の商品に使用する材質の詳細については別途お問合せください。

材質:SUS440C

 マルテンサイト系ステンレスの1種です。炭素の含有量が0.95~1.20%と多く、焼入れによりステンレス鋼の中で最高の硬さにすることができます。ノズルやベアリングに使用されます。また、クロムを16.0~18.0%含有しているため耐食性も優れています。

---------------

☆ねじに使用される材料については下記ページにも掲載しています。ご参照ください。

鉄鋼材料

ステンレス材料

Copyright(C) 株式会社 山 崎 All rights reserved.