カタログショップ 材質の選択
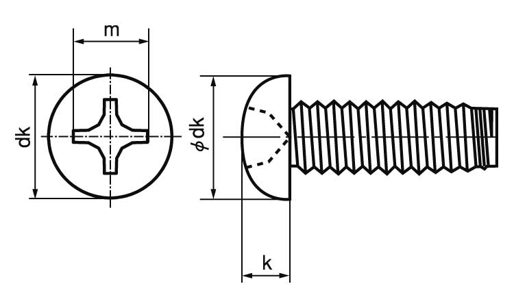
商品名:サンロック(ナベ)




材質を選択してください。
画像と実際の商品の色とは違う場合があります。
下記説明は一般的な内容ですので、商品に使用する材質の詳細については別途お問合せください。
材質:SUS410
マルテンサイト系ステンレスで炭素(C)含有量が多いので熱処理により硬度を上げることができます。クロム(Cr)が11.50~13.50%含まれていますが、オーステナイト系ステンレスのSUS304(Cr:18.00~20.00%)等に比べて少ないため耐食性は劣ります。 セルフドリリングスクリューやタッピンネジに使用されます。
材質:チタン
純チタン(比重4.5、引張強さ340~510MPa)はアルミニウム(比重2.7、引張強さ75~105MPa)に比べ重さが1.5倍で強度は5倍となり軽い割には強度が強い金属です。また、海水等の耐食性があり、生体親和性もよいので、様々な分野で使用されています。純チタンと呼ばれているが、N、C、H、Fe、Oなどを含んでいるので、純度の高いチタンということになる。O、Feの含有量によって1~4種と区別され、1種はO、Feの含有量が少なく、最も柔らかい。
材質:PS550
建材用高強度マルテンサイト系ステンレスです。SUS410と同等以上の強度とじん性を持ち、SUS304同等以上の耐食性があります。パーフェクトステンレスと呼ばれます。
---------------
☆ねじに使用される材料については下記ページにも掲載しています。ご参照ください。
〇鉄鋼材料
新しいウィンドウで画像を見る