カタログショップ 材質の選択
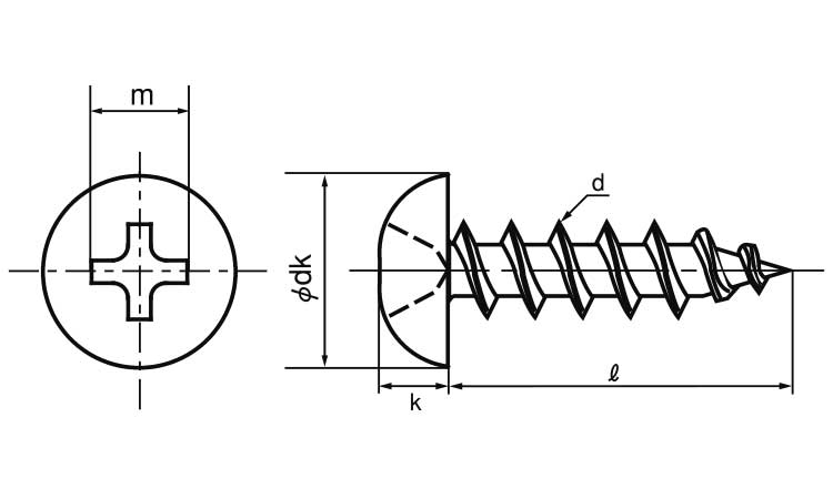
商品名:(+)A丸 タッピンねじ




材質を選択してください。
画像と実際の商品の色とは違う場合があります。
下記説明は一般的な内容ですので、商品に使用する材質の詳細については別途お問合せください。
材質:ステンレス(SUS303、SUS304、XM7等)
オーステナイト系ステンレスは粘りが強く加工硬化が起きやすいので加工しづらい鋼種ですが、耐食性がありよく使われます。代表的な鋼種にSUS304があり、ねじに多く使われているのは、SUS304に銅を添加して冷間加工性を向上したSUSXM7という材質がよく使われます。またピン類等には切削加工性を向上したSUS303が使用されます。
マルテンサイト系ステンレスは、スプリングピン(ロールピン)にSUS420J2が使用されています。焼入れ・焼き戻しして硬化できるが、錆びが発生しやすいデメリットがあります。当サイトでは特定の材質表記がない場合は、これらのステンレス材料を一般名称の「ステンレス」と表記しています。
---------------
☆ねじに使用される材料については下記ページにも掲載しています。ご参照ください。
〇鉄鋼材料
新しいウィンドウで画像を見る