カタログショップ 材質の選択
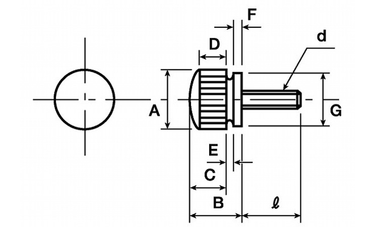
商品名:段付ローレットビスECO-BS




材質を選択してください。
画像と実際の商品の色とは違う場合があります。
下記説明は一般的な内容ですので、商品に使用する材質の詳細については別途お問合せください。
材質:黄銅
銅と亜鉛を主成分とする合金です。真鍮(しんちゅう)とも呼ばれます。展延性・めっき性がよく、加工しやすい材料で機械部品にもよく使われます。表面処理をしていないもの(生地)は最初は金色のきれいな表面ですが、次第に空気中で表面が酸化し、黒っぽくくすんできます。しかしながら、錆びの進行がないので耐食性がよい材料です。近年、ECO-BSというカドミレス黄銅または低カドミウム黄銅を使用したRoHS指令に対応したねじ類が市販されています。
---------------
☆ねじに使用される材料については下記ページにも掲載しています。ご参照ください。
〇鉄鋼材料
新しいウィンドウで画像を見る