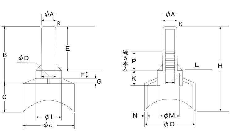
back to カタログショップ メニュー>大分類>中分類カタログショップ 表面処理等の選択 商品名:樹脂 サビヤーズ(スレート屋根用) 新しいウィンドウで画像を見る 下記の中から表面処理を選択してください。 画像と実際の商品の色とは違う場合があります。 樹脂着色 白
新しいウィンドウで画像を見る