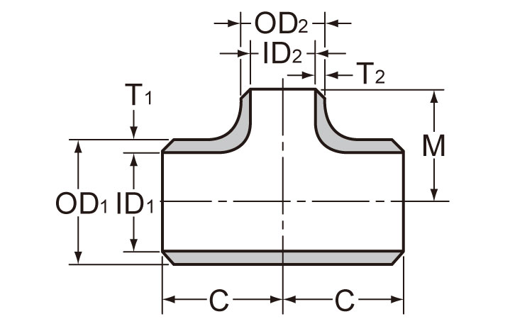
back to カタログショップ メニュー>商品別分類材質の選択 商品名:SGP 溶接異径チーズT(R) ☆カタログショップの分類メニューを新しく使いやすくしました。商品が探しやすくなりましたので、ぜひお試しください。 新しい分類メニューはこちらです。 新しいウィンドウで画像を見る 材質を選択してください。 画像と実際の商品の色とは違う場合があります。 鉄
☆カタログショップの分類メニューを新しく使いやすくしました。商品が探しやすくなりましたので、ぜひお試しください。
新しい分類メニューはこちらです。