ネジと金属加工の請負企業。小ロットから見積、受注いたします。
株式会社山崎
MENU

材質の選択

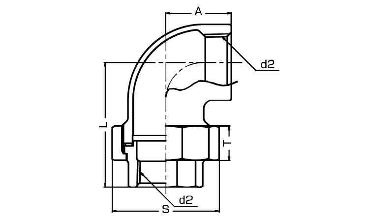
商品名:ねじ込み継手ユニオンエルボ(UL)

☆カタログショップの分類メニューを新しく使いやすくしました。商品が探しやすくなりましたので、ぜひお試しください。

新しい分類メニューはこちらです。

ねじ込み継手ユニオンエルボ(UL)画像
ねじ込み継手ユニオンエルボ(UL)図面
ねじ込み継手ユニオンエルボ(UL)規格
ねじ込み継手ユニオンエルボ(UL)

材質を選択してください。

画像と実際の商品の色とは違う場合があります。

Copyright(C) 株式会社 山 崎 All rights reserved.