ネジと金属加工の請負企業。小ロットから見積、受注いたします。
株式会社山崎
MENU

材質の選択

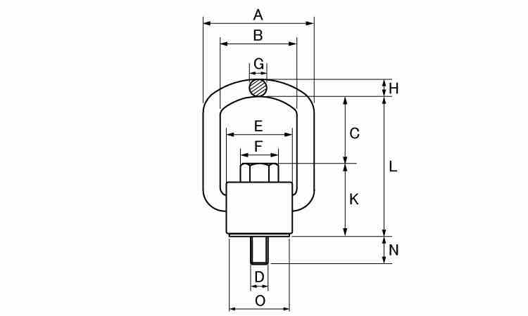
商品名:フレノ・リンクボルト A

☆カタログショップの分類メニューを新しく使いやすくしました。商品が探しやすくなりましたので、ぜひお試しください。

新しい分類メニューはこちらです。

フレノ・リンクボルト A画像
フレノ・リンクボルト A図面
フレノ・リンクボルト A規格
フレノ・リンクボルト A

材質を選択してください。

画像と実際の商品の色とは違う場合があります。

Copyright(C) 株式会社 山 崎 All rights reserved.