back to ねじ商品情報
10.9六角トリーマセムス(六角ボルト 組込みねじ)
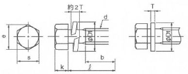
製品仕様
呼び方:P-2:スプリングワッシャー組込み、I-3:スプリングワッシャー+平座金組込み
表面処理:黒色酸化被膜
| 規格 | JIS B 1180附属書 |
|---|---|
| 強度区分 | 10.9 |
| 材質 | 構造用合金鋼(SCM) |
| 精度 | JIS 6g |
| 規格 | JIS B 1251 2号に準拠(但し内外径は異なる) |
|---|---|
| 規格 | JIS B 1256-1978 みがき丸に準拠(但し内径は異なる) |
|---|
10.9六角トリーマセムスの寸法、精度


| ねじの呼び(d) | M6 | M8 | M10 | |
|---|---|---|---|---|
| 六角ボルト | s | 10(-0.2-0) | 13(-0.25-0) | 17(-0.25-0) |
| k | 4(-0.15-0.15) | 5.5(-0.15-0.15) | 7(-0.2-0.2) | |
| e(約) | 11.5 | 15 | 19.6 | |
| ばね座金一般用 | D1(最大) | 11.5 | 14.5 | 17.5 |
| B(最小) x T(最小) | 2.7x1.5 | 3.2x2 | 3.7x2.5 | |
| 圧縮試験後の自由高さ(最小) | 2.5 | 3.35 | 4.2 | |
| 平座金みがき丸 | D1 | 12.5(-0.4-0) | 17(-0.4-0) | 21(-0.5-0) |
| T | 1.6(-0.15-0.15) | 1.6(-0.15-0.15) | 2(-0.2-0.2) |
10.9六角トリーマセムス(P-2、I-3)のサイズ表
| M6 | M8 | M10 | |
|---|---|---|---|
| 10 | ○ | ||
| 12 | ○ | ||
| 15 | ○ | ○ | |
| 16 | ○ | ○ | |
| 20 | ○ | ○ | ○ |
| 25 | ○ | ○ | ○ |
| 30 | ○ | ○ | |
| 35 | ○ | ○ | |
| 40 | ○ |
●お問い合わせ先
お問い合わせは、下記にご連絡いただくか、お問い合わせフォームからお願いいたします。
住所: 525-0054 滋賀県草津市東矢倉1丁目1-17
株式会社 山 崎
TEL: 077-563-3388
FAX: 077-564-1577
EMAIL: info@ymzcorp.co.jp


トップページ
ショップメニュー









当製品はSCM製六角ボルトに硬さ40~50HRCのばね座金、及びS55Cの丸座金を組み込んであり、ばね座金、丸座金を組み込む手間の低減や組込み忘れの防止、従来の鉄製品では強度不足な個所への使用に最適な新製品です。